TPT2双O组合防尘圈 - 防尘圈PT2型 - WEMHG防尘圈
1. 标准材料 异形圈:填充聚四氟乙烯F-PTFE或聚氨酯PU O形圈:丁腈橡胶NBR或氟橡胶FKM
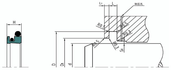
 2. 应用范围 --由一个带密封刃口和防尘刃口的异行圈以及2个作为预加载元件的O形圈组成的TPT2防尘圈具有卓越的刮尘效果,低摩擦,无粘滑现象。可用于液压机、注塑机、滚压机、冶金机械等设备。 设计时可参考Trelleborg公司WEMHG系列、Merkel公司PT2系列标准。 3. 特性及优点 1.特别适用于大直径活塞杆; 2.低摩擦,低粘性摩擦; 3.对于行程短和频率高条件下使用的防尘圈可以变换材料定做; 4.在工作出过程中有极好的调节和定位能力。 |