temp-thumb
产品详细资料

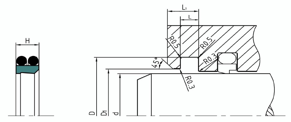
TPT1防尘圈 



TPT1双唇防尘圈-双唇防尘圈-WEMHF防尘圈-防尘圈PT1型

 TPT1双唇防尘圈-双唇防尘圈-WEMHF防尘圈-防尘圈PT1型


 
1. 标准材料
异形圈:填充聚四氟乙烯F-PTFE或聚氨酯PU
O形圈:丁腈橡胶NBR或氟橡胶FKM
2. 应用范围
--由一个带密封刃口和防尘刃口的异行圈以及2O形圈组成的TPT1防尘圈用于改善整体密封性,具有低摩擦,无粘滑现象。在工作中有极好的调节和定位能力。可用于农业机械、液压机、注塑机、液压控制系统、叉车、起重机、滚轧、装卸机械等设备。 
设计时可参考Trelleborg公司WEMHF系列、Merkel公司PT1系列标准。
 
3. 特性及优点
1.低摩擦,低粘性摩擦;
2.可靠性高,在短时间内能接受满负荷的工作压力;
3.在工作出过程中有极好的调节和定位能力;
4.对于行程短和频率高条件下使用的防尘圈可以变换材料定做;
5.双唇口防尘圈用于改善整体密封性。

 

在线服务:

QQ: 

特密销售

加入收藏夹