TGDI异型同轴密封-GGDI活塞杆用密封件-GGDI组合密封圈
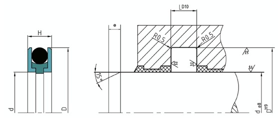
1.TGDI异型同轴密封(GGDI活塞杆用密封件/GGDI组合密封圈) 2.标准材料 密封体:填充聚四氟乙烯F-PTFE 弹性体:丁腈橡胶NBR L 环:聚甲醛POM或尼龙PA  3.应用范围 TGDI由一个密封环、两个L型POM(直径Ф400 mm以上用PA)支撑环和一个施力的O形圈组成活塞杆组合密封。支撑环起支撑和引导作用,以确保紧密的密封环境。密封环依靠O圈的施力紧压活塞杆,提供密封作用。可在矿物油,水基润滑液、改性水基润滑液和其他液体中使用。 设计选用时可参考Hunger公司GGDI系列标准。 4.特性及优点 1.安装容易 2.高耐磨 3.能够抗挤出并无粘滑现象。 |