SPGW活塞密封-SPGW组合密封-PHD组合密封-Y3活塞密封-KHD孔用密封
1.标准材料 密封体:填充聚四氟乙烯或聚氨酯PU 弹性体:丁腈橡胶NBR 挡 圈:尼龙PA或聚甲醛POM
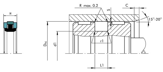
 2.应用范围 液压往复运动系统。在高压工况下的重载双向活塞密封场合非常出色。特别适合长行程及范围较广的流体和高温场合,可适用较大的活塞间隙。主要应用于重载或工程机械的油缸活塞密封具有良好的泄漏控制、抗挤出性和耐损性能,如:挖掘机、重型液压缸等。 设计选用时可参考Trelleborg公司PHD系列、NOK公司SPGW系列、Parker公司的Y3系列、AS公司KHD系列标准。 3.特性及优点 1.沟槽结构简单; 2.由于较大的挤出间隙,在有污物的介质中可安全使用; 3.启动时不爬行,工作平稳; 4.可允许较大的挤出间隙; 5.使用寿命长; 6.静态和动态的摩擦系数低磨损小; 7.良好的动静密封性能。 |