TSF孔用格来圈-特康格来圈-GDSA活塞密封-OE活塞密封-OMK-MR活塞密封
1.标准材料 密封环:填充聚四氟乙烯F-PTFE 0形圈:丁腈橡胶NBR或氟橡胶FKM
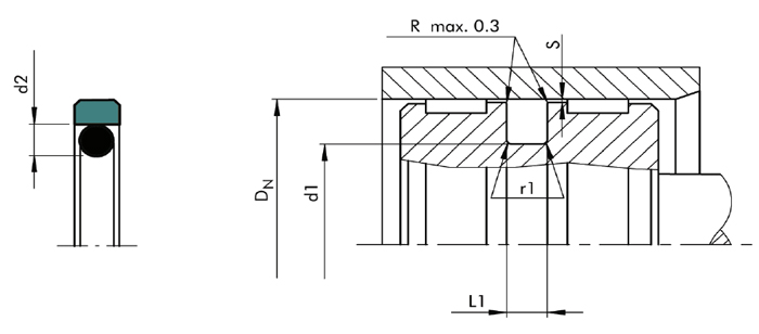
 2.应用范围 液压系统、往复运动,在高压和低压及高频工况下的重载双向活塞密封场合非常出色。适用在长及短行程的情况,并在范围较大的流体和高温场合,可适合较大的活塞间隙。例如用在注塑机、推土机、农业机械、压机和其他机床等。 符合ISO 7425/1 GB/T1542.1-94 GB/T15242.3-94标准。设计时可参照Trelleborg公司PG4系列、Merkel公司OMK-MR系列、Parker公司OE系列、AS公司的YB系列标准。 3.特性及优点 1.沟槽简单,可用于整体式活塞。 2.摩擦力小,无爬行现象。 3.静密封性能非常好。 4.由于较大的挤出间隙,在有污物的介质中也可安全使用。 5.由于可采用较多的材料,所以对工作条件的适应性强。 6.可允许较大的挤出间隙,视应用场合而定,故可降低加工费用。 7.适于最新环保安全的液压液(生物油)。 |