首 页
关于特密
产品中心
企业动态
招聘信息
联系我们
特密介绍
企业文化
我们业务
活塞杆(轴用)密封
活塞(孔用)密封
防尘密封
旋转密封
泛塞密封
导向密封
PU密封
NBR、FKM密封
各种橡塑异型车削密封
详细联系方式
如何找到我们
产品详细资料
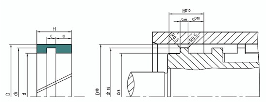
TFA导向套
TFA导向套-FA导向环-FA导向套-FA导向元件
TFA导向套-FA导向环-FA导向套-FA导向元件
1
.标准材料
尼龙PA、聚甲醛POM及填充聚四氟乙烯F-PTFE
2
.应用范围
--
活塞用非金属导向套,对活塞起支承与导向作用。
设计选用时可参考Hunger公司FA系列标准。
3
.特性及优点
1
.容易安装、牢靠;
2
.金属/塑料材料配对防止了“滞塞”和“咬死”现象;
3
.良好的减振性(径向振动)。
在线服务:
QQ:
特密销售
加入收藏夹